PV Voltage
Battery Voltage
Output Voltage
Output Power

Robust Innovation

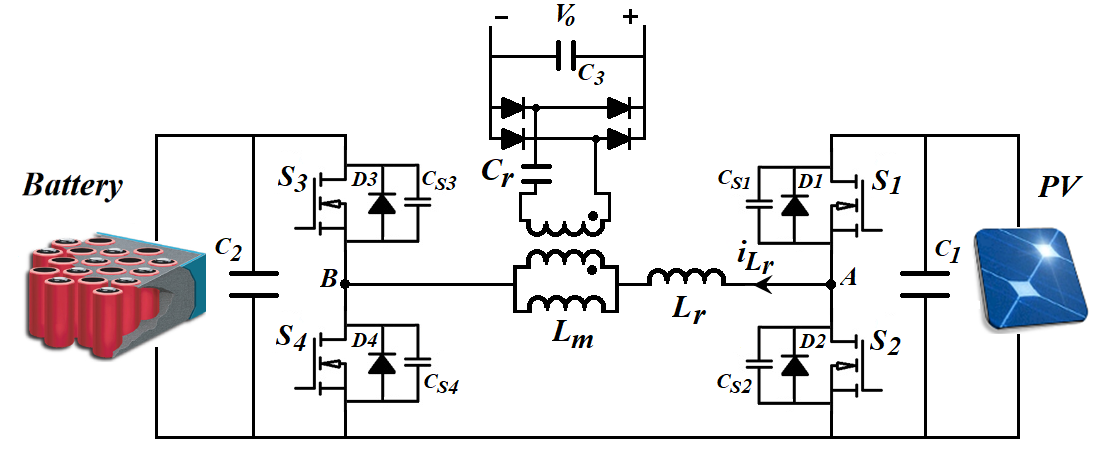
iPV++ uses the power of the LLC Resonant Converter with two modes of operation.

work

We Want You To Have The Power

The DC/DC Converter has a resonant frequency of 80 kHz.

  • Maximum Power Mode
  • Charging Mode
  • 400V DC Link Voltage

work

Ease of Installation

Racking system allows easy replacement of battery and microinverter.

Questionably Cool

Harnesses the power of natural air convection to keep things cool.

DISCLAIMER

NOT GRID TIED.

What is iPV++

iPV++ stands for Integrated Photovoltaic Power Module. The purpose of our project is to create a unique architecture that integrates smart power electronics with local storage and battery management to harvest solar power. Due to the current poor design of PV and battery systems, our purpose is to reimagine PV systems that are easy and cost-effective to install, configure, and operate. This will allow valuable reliability and economic assets that can eventually be tied into the power grid. This multidisciplinary project includes both electrical and mechanical engineering students.

Voltage Doubler

Allows the Inverter Stage to have 400V DC.

SPWM

Allows a sine wave to be modulated as a square wave with a varying duty cycle.

LC Filter

Designed to filter harmonics from a square wave to attain a sine wave.

Uni-directional Topology

It's just that easy!

Step 1

DC Link

Step 2

Sinusoidal Pulse Width Modulation

Step 3

LC Filter

Step 4

120V 60Hz Sine Wave

Meet the Team

Composed of only electrical engineers, Group 17 was responsible for the electrical side of iPV++ while the mechanical engineers did the mechanical side of things.

work

Emmanuel Ortiz

Jul. 24th, 2018

Emmanuel Ortiz is currently a senior at the University of Central Florida. He plans to graduate with his Bachelor of Science in Electrical Engineering in August 2018.

Read More

Angelica Becker

Jul. 24th, 2018

Angelica Becker is currently a senior at the University of Central Florida. She plans to graduate with her Bachelor of Science in Electrical Engineering in August 2018. She plans on working within the power systems field.

Read More

Jeffrey Claudio

Jul. 24th, 2018

Jeffrey Claudio is currently a senior at the University of Central Florida. He plans to graduate with his Bachelor of Science in Electrical Engineering in August 2018 and to attend graduate school as soon as he finds a career.

Read More

Special Thanks To

Dr. Samuel Richie, Dr. Lei Wei, Dr. Issa Batarseh, and members at the Florida Power Electronics Center.