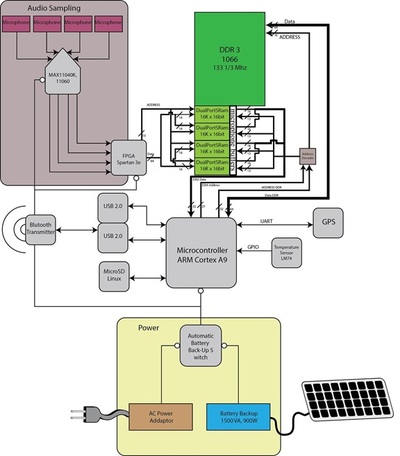
The GLASS project is comprised of two different designs. The first design is the initial/theoretical design which represents what GLASS would be as a fully functioning, commercial product. The initial design was then simplified to allow the presentation of a proof-of-concept system suitable for the time and budget constraints placed on the designers. Nevertheless, the research, requirements, specifications, and general theory remain true for both designs.








