Logo
  • Home
  • About Us
  • Documents
  • Demo
  • Gallery
Main GUI

Main GUI: Interface for creating circuits.

Translate Screen

Translate Screen: View sensor information and convert circuits for breadboard use.

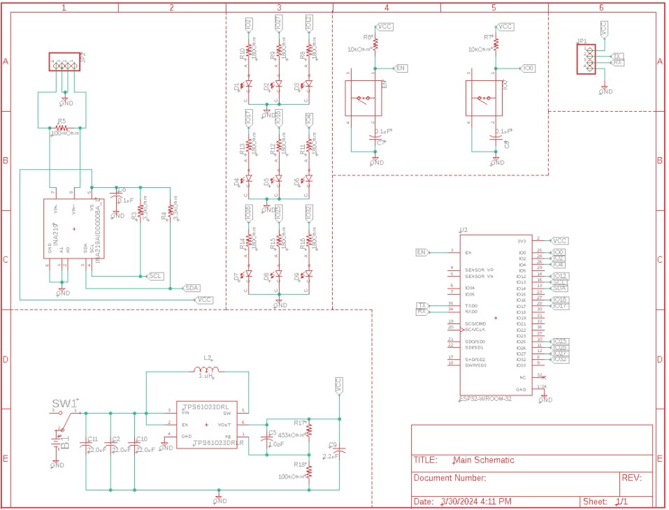
Final PCB Schematic

Final PCB Schematic: Completed schematic created with Eagle software.

Final PCB

Final PCB: The completed PCB design.

Final Design

Final Product: The completed Advanced Breadboard.

×