Summary
Award Number:
DE-EE0009028
Project Title:
Autonomous Inverter Controls for Resilient and Secure Grid Operation: Vector Control Design for Grid Forming
PD/PI Names:
Zhihua Qu
Team Members:
UCF, PNNL, Siemens, OUC
Project/Grant Period:
2020-2024
Goals of the Project:
As solar, wind, and other DERs supply a significant or even predominant share of the total energy, inverter controls need to be improved to adaptively establish and support both frequency and voltage while individual DERs are of limited capacity. This project aims to provide a unified control design framework to enhance photovoltaic inverter controls and address the technical challenges of keeping the grid secure. It will coordinate grid-forming and grid-following inverters and black-start capability, which enables systems to restart independently after a power outage; ensure scalability and system stability; and protect against cyberattacks. The team will validate the technology using software simulations and lab field tests.
Hardware Testbeds:
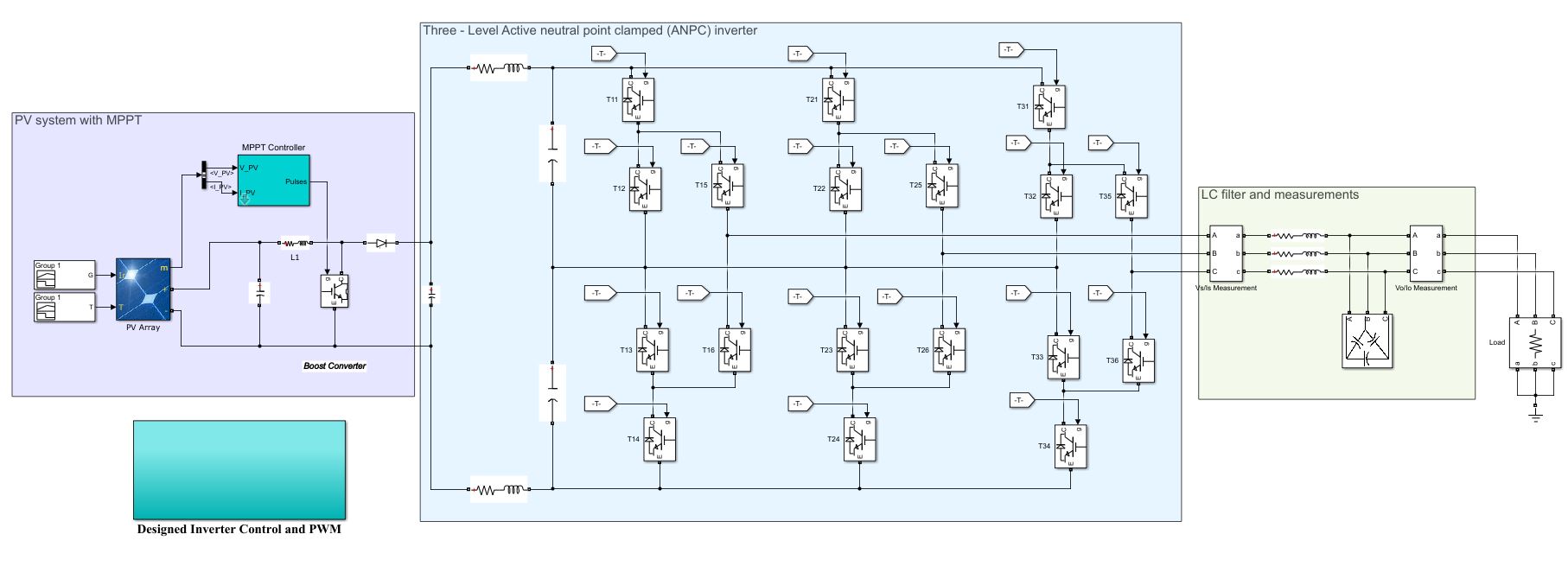
(1) GridLink Soft-defined inverter
The GridLink inverter is a 3-phase, three-level active neutral-point-clamped (ANPC) converter, and its circuit diagram is shown below:
The 5kW 480VAC experimental setup consists of a GridLink inverter, a PV emulator, and 3-phase AC loads, as shown below:

(2) TAPAS Soft-defined inverters and 4-DG microgrid


Publications (only Authors’ versions are downloadable):
- G. Skaria, G. Marasini, Z. Qu, P. Brooker, R. York, T. Remo, A. Fiset, M. Mulligan and J. Kramer, “Experiences and Lessons from Field Demonstration of Grid-forming Inverter in An AC Microgrid,” in IEEE Power & Energy Society General Meeting (PESGM), Seattle, Washington, 21–25 July 2024.
- G. Marasini and Z. Qu, “Cybersttack resilient distributed control of grid-forming inverters in AC microgrids,” in IEEE Power & Energy Society General Meeting (PESGM), Seattle, Washington, 21–25 July 2024.
- Z. Qu and M. A. Simaan, “Resilient Consensus State Observer for Nonlinear Systems and Against Attacks,” in 2024 American Control Conference (ACC), Toronto, Canada, July 10-12, 2024.
- M. S. Hossain, D. Ramasubramanian, A. Haddadi, E. Farantatos, U. Muenz, N. Xue, S. Nielebock and Z. Qu, “Implementing a Hardware Testbed Using 3-Level ANPC Software Defined Inverters for Fault Analysis of a Transmission Network,” in IEEE SoutheastCon, Atlanta, Georgia, USA, March 20-24, 2024.
- Soumyadeep Nag and Zhihua Qu, “Oscillatory Power Control and Consensus in Unbalanced Networks Using Grid Forming Inverters,” 2023 IEEE Power & Energy Society General Meeting (PESGM), Orlando, Florida, July 16-20, 2023
- Mazhar Ali, Aleksandar Dimitrovski, Zhihua Qu, and Wei Sun, “A Voltage Inference Framework for Real-Time Observability in Active Distribution Grids,” IEEE Power & Energy Society General Meeting, Orlando, Florida, July 16-20, 2023
- Muhammad Iqbal, Zhihua Qu, and Azwirman Gusrialdi, ”Resilient Design of Continuous-time Distributed Optimization Algorithm in the Presence of Cyber-attacks,” the IFAC World Congress, Yokohama, Japan, July 9-14, 2023
- Soumyadeep Nag, Zhihua Qu, and Ying Xu, ”A Unified Grid-Forming and Grid-Following Primary Control Design with Optimized Enforcement of Grid Operational Constraints,” IEEE ACCESS, vol.11, pp.57415-57427, June 2023 (an extended version is posted)
- Azwirman Gusrialdi, Muhammad Iqbal, and Zhihua Qu, ”Towards Resilient Design of Leader-following Consensus with Attack Identification and Privacy Preservation Capabilities,” 2023 European Control Conference (ECC), Bucharest, Romania, June 13-16, 2023
- Lizhi Ding, Nan Xue, and Zhihua Qu, “Grid-forming Control of Single- and Two-Stage Solar PV Systems with Mode Transition,” 2023 IEEE Applied Power Electronics Conference and Exposition (APEC), Orlando, FL, March 19-23, 2023.
- A. Gusrialdi and Z. Qu, “Resilient Distributed Optimization Against Cyber-Attacks,” IEEE Control Systems Letters, vol. 7, pp. 3956-3961, 2023.
- Muhammad Iqbal, Zhihua Qu and Azwirman Gusrialdi, “Distributed Resilient Consensus on General Digraphs under Cyber-attacks,” European Journal of Control, vol.68, 100681, November 2022.
- G. Marasini, Z. Qu, S. Nag, and Y. Xu, “Distributed secondary control of grid-forming inverters and ac microgrids: Impacts of voltage feedback choices,” 54th North American Power Symposium, Salt Lake City, Utah, October 9-11th, 2022.
- Xue Gao, Reza Roofegari nejad and Wei Sun, “Decentralized distribution system restoration with grid-forming/following inverter-based resources,” IEEE Power & Energy Society General Meeting, July 2022.
- Muhammad Iqbal, Zhihua Qu, and Azwirman Gusrialdi, “Distributed Resilient Consensus on General Digraphs under Cyber-attacks,” European Control Conference, London, UK, July 12-15, 2022.
- Azwirman Gusrialdi and Zhihua Qu, “Cooperative Systems in Presence of Cyber Attacks: A Unified Framework for Resilient Control and Attack Identification,” American Control Conference, Atlanta, USA, June 2022
- Ganesh Marasini, Zhihua Qu, Mohammad Safayet Hossain, and Nan Xue, “Grid-Forming Control Using TAPAS Software Defined Inverters,” IEEE 23rd Workshop on Control and Modeling for Power Electronics, Tel Aviv, Israel, June 20-23, 2022.
- Muhammad Iqbal, Zhihua Qu, and Azwirman Gusrialdi, “Resilient dynamic average-consensus for multi-agent systems,” IEEE Control Systems Letters, vol. 6, no. 6, pp. 3487–3492, June 2022. Also presented at IEEE Conference on Decision and Control, Cancun, Mexico, December 6-9, 2022
- Reza Roofegari nejad and Wei Sun, “Enhancing active distribution systems resilience by fully distributed self-healing strategy,” IEEE Transactions on Smart Grid, vol. 13, no. 2, pp. 1023-1034, 2022.
- Towfiq Rahman, Ying Xu and Zhihua Qu, “Continuous-Domain Real-Time ADMM Algorithm for Distributed EV Charging and Voltage Stability in Distribution Network,” IEEE Transactions on Automation Science and Engineering, vol.19, no.1, pp.60-69, January 2022.
- Azwirman Gusrialdi and Zhihua Qu, “Resilient Hierarchical Networked Control Systems: Secure Controls for Critical Locations and at Edge,” in Security and Resilience of Control Systems: Theory and Applications, Quanyan Zhu and Hideaki Ishii (Eds.), Lecture Notes on Control and Information Sciences, pp. 95-119, Springer Verlag, 2022.
- Y. Li, W. Sun, W. Yin, S. Lei, and Y. Hou, “Restoration strategy for active distribution systems considering endogenous uncertainty in cold load pickup,” IEEE Transactions on Smart Grid, 2021.
- N. Xue, U. Muenz, Z. Qu, and W. Sun, “Stability Quantification for Consensus-Based Power Flow Control between Transmission and Distribution Power Systems,” IEEE Conference on Decision and Control, Austin Texas, December 2021.
- Youngjun Joo, Zhihua Qu, and Toru Namerikawa, “Resilient Control of Cyber-Physical System Using Nonlinear Encoding Signal Against System Integrity Attacks“, IEEE Transactions on Automatic Control, vol. 66, no. 9, pp. 4334-4341, September 2021
- A. Gusrialdi and Z. Qu, “Data-Driven Distributed Power Iteration for Strongly Connected Networks,” in European Control Conference, Rotterdam, Netherlands, July, 2021.
- Ying Xu, Zhihua Qu, and Toru Namerikawa, “Data-Driven Wide-Area Control Design of Power System Using the Passivity Shortage Framework,” IEEE Transactions on Power Systems, vol.36, no.2, pp.830-841, March 2021
- Ying Xu and Zhihua Qu, “A Novel State-Constrained Primary Control for Grid-Forming Inverters,” IEEE Power & Energy Society Innovative Smart Grid Technologies Conference (ISGT), Washington DC, February 2021.
- Towfiq Rahman and Zhihua Qu, “Autonomous Intelligent Charging/Discharging of Electric Vehicles using Distributed Multi-Agent ADMM Framework for Grid Ancillary Services,” in Intelligent Control and Smart Energy Management: Renewable Resources and Transportation, Panos Pardalos, Hicham Chaoui, and João Pedro F. Trovão (Eds.), Springer Optimization and Its Applications (SOIA), Springer Verlag, 2021.
- Ying Xu, Zhihua Qu, Junjian Qi, “State-Constrained Grid-Forming Inverter Control for Robust Operation of AC Microgrids“, European Control Conference (ECC 2020), Saint Petersburg, Russia, May 12‑15, 2020.
- Azwirman Gusrialdi, Ying Xu, Zhihua Qu, and Marwan A. Simaan, “Resilient Cooperative Voltage Control for Distribution Network with High Penetration Distributed Energy Resources“, European Control Conference (ECC 2020), Saint Petersburg, Russia, May 12-15, 2020.
- Azwirman Gusrialdi and Zhihua Qu, “Data-Driven Distributed Algorithms for Estimating Eigenvalues and Eigenvectors of Interconnected Dynamical Systems”, 21st IFAC World Congress (IFAC 2020), Berlin, Germany, 12-17 July, 2020.
- R. Harvey, Z. Qu and T. Namerikawa, “An Optimized Input/Output-Constrained Control Design with Application to Microgrid Operation,” IEEE Control Systems Letters, vol. 4, no. 2, pp. 367-372, 2020.
- R. Liu, S. Lei, C. Peng, W. Sun, Y. Hou, “Data-Based Resilience Enhancement Strategies for Electric-Gas Systems against Sequential Extreme Weather Events,” IEEE Transactions on Smart Grid, vol. 11, no. 6, pp. 5383-5395, Nov. 2020.
- I. Alvarez-Fernandez, D. Ramasubramanian, W. Sun, A Gaikwad, J. Boemer, S. Kerr, and D. Haughton, “Impact Analysis of DERs on Bulk Power System Stability through the Parameterization of Aggregated DER_A Model for Real Feeder,” Electric Power Systems Research, vol. 189, 2020.
- Ying Xu, Wei Sun, and Zhihua Qu, “Renewable Energy Integration and System Operation Challenge: Control and Optimization of Millions of Devices,” in New Technologies for Power System Operation and Analysis, Huaiguang Jiang, Yingchen Zhang, and Eduard Muljadi (Eds.), Elsevier Inc., 2020.
Presentations:
- Zhihua Qu, “Autonomous Inverter Controls for Resilient and Secure Grid Operation: Vector Control Design for Grid Forming,” DOE SETO Project Review, March, 2024.
- Zhihua Qu and Tom McDermott, “An RMS-Equivalent EMT Inverter Model and Integrated GFM/GFL Controls for Autonomous Operation of IBRs,” UNIFI seminar, October 24, 2022.
- Qiuhua Huang, Tom McDermott, Yuan Liu, “Reduced-Order DER Dynamic Models from Machine Learning,” 21PESGM2674, Panel Session “Dynamic Modeling in Distribution,” IEEE PES GM 2021, July 26, 2021.
Depositories:
-
Power electronic converter blocks (pecblocks), an open-source code for HW model training and testing @ Github
- Model training code and examples at https://github.com/pnnl/pecblocks
- Code documentation at https://pecblocks.readthedocs.io
- Code to run trained HWPV models in Python on a Raspberry Pi at https://github.com/pnnl/pecblocks/tree/master/examples/pi
- Code to run trained HWPV models in Python with HELICS at https://github.com/pnnl/pecblocks/tree/master/examples/helics
- Code to run trained HWPV models in a C/C++ Windows Dynamic Link Library (DLL) according to the Cigre/IEEE task force interface at https://github.com/pnnl/pec[66]blocks/tree/master/examples/dll
- Multi-Agent OpenDSS (MA-OpenDSS), an open-source Distribution System Simulator with distributed IBR controls